EL 84 Gegentakt Hi Fi Verstärker
- Aktualisiert im September 2008
Immer wieder erwähnte ich es bei Freunden und Bekannten: Jaja, einen
Röhrenverstärker,
den werde ich mir auch noch bauen. Denn der Klang ist ja super, ja so ist
das.......
Bis mir dann ein Kollege sagte: "Ja du, dann fang doch mal endlich an, Du
strunzt rum mit
dem Klang eines Röhrenverstärkers und hast selber gar keinen !!
- Recht hatte er, und
ich hatte den Salat !
Ich fing also an, die Teile zusammen zu suchen, aber das war überhaupt nicht
einfach, denn
kaufen wollte ich sie nicht. So half mir mein Vereinskollege Hubert mit den
Ausgangsübertragern,
die er noch liegen hatte, Alfred hatte noch ECC83 und EL84 rumfliegen,
Röhrenfassungen lötete
ich aus alten Geräten aus, es wurde getauscht und gemacht, und ich packte alles
in eine Tüte
und stellte sie in den Keller, weil das irgendwie nach sehr viel Arbeit roch,
und davon habe ich
eigentlich schon genug. Doch der Kollege gab nicht nach, drängelte des öfteren und fragte:
"Was macht denn dein Verstärker ??" Und jedes mal musste ich kleinlaut zugeben,
daß ich noch
gar nicht angefangen war. Doch das sollte sich dann ändern !
Als erstes suchte ich mir bei Jogi´s Röhrenbude die geeignete Schaltung
aus. Nun wusste ich,
was in das Chassis alles hinein musste und konnte auch mit dem Layout und Design
beginnen,
was mir auch eigentlich dann problemlos glückte.
Das Chassis jedoch machte mir Sorgen, ich wollte es eigentlich aus 1,5mm
Aluminium machen,
jedoch hatte ich das Blech nicht. Also nahm ich Stahlblech, was ich dann auch
nicht bereut habe,
denn so viel schwieriger ist die Bearbeitung wirklich nicht.
Ich kantete das 1,5 mm Blech, stanzte, bohrte feilte sägte und fluchte, sandstrahlte es
und
liess es Pulverlackbeschichten, die erste Lackierung aus der Sprühdose ging nämlich gründlich daneben.
Danach konnte ich schon mit dem Einbau der Teile beginnen, und auch die
Verdrahtung ließ nicht
lange auf sich warten.
Als alles fertig war spitzte ich die Ohren : Super, einfach traumhaft,
dieser Klang !! Diese Höhen...
und erst mal die Bässe, einfach Spitze !! Wenn Mark Knopfler seine Gitarre
zupft, so meint man echt
der steht hier bei mir im Wohnzimmer.
Zum Brumm kann man nur sagen: Nichts, absolut gar nichts zu hören, auch nicht
wenn man bis zum
Anschlag aufdreht (natürlich ohne Signal), alles ist sauber.
So rundum zufrieden ließ ich mir dann noch die 3 Drehknöpfe drehen, polierte
sie auf Hochglanz und
entwarf dann das Emblem. Nachdem es fertig war bin ich zum Drucker gefahren und
habe ihm eine
CD mit dem Emblem gegeben, mit dem Auftrag einen geplotteten Aufkleber daraus zu
erstellen.
Das war zwar nicht ganz billig, aber ich meine er ist verdammt gut gelungen !!
Ich fuhr zu meinem Vereinskollegen Hubert, und der nahm das Gerät erst mal
richtig unter die Lupe -
mit Tongenerator und Oszilloskop, Klirrfaktor usw. Auch er war begeistert.
Der Frequenzgang geht von 20 hz - 30 khz im Linearbetrieb.
Abschließend kann ich nur sagen: Es war viel Stress, und Rückschläge wie
Brummen oder ähnliche
Probleme nerven unheimlich, aber wenn so etwas erst richtig funktioniert ist man
umso glücklicher.
Wenn man jedoch blöderweise an die Elko´s kommt, dann weiß man auch gleich
warum man den
Netzstecker bei solchen Geräten zieht, wenn man daran bastelt. Ich sage jedoch
immer: Man ist
hinterher umso wachsamer :-))
Ich kann wirklich nur jedem empfehlen, so etwas auch mal zu bauen, eure Ohren
werden es euch
sicherlich danken :-) Auch der Kollege zieht übrigens mittlerweile den
Hut vor diesem Gerät !
Auch zeigte ich diesen Verstärker auf dem Radiotreff (Vereinstreffen vom
Radio & Telefonmuseum),
alle waren begeistert. Der Schaltplan macht die Runde, und ich hoffe, bald
weitere Geräte vorgestellt
zu bekommen.
September 2008, Bild2:
Der Netztrafo wurde schon immer sehr heiss, und so langsam störte mich
das gewaltig. Normalerweise
kann er 240 mA Anodenstrom liefern, ich entnehme allerdings nur 145. Auch die
Heizungen der
Röhren belasten ihn nicht zu sehr. Dennoch - 75 Grad ohne Verkleidung ist mir
einfach zu viel !
In Zukunft kaufe ich keine Billigtrafos. Auf jeden Fall, ich habe nun 2
Kühlkörper auf den Trafo montiert,
einer davon mit Lüfter. Dieser läuft superleise und ist nicht zu hören.
Zudem habe ich die Abdeckung nun aus Lochblech gefertigt, das sorgt für
genügend Abluft.
Bei 50 Grad pendelt er sich nun ein, das ist o.k. Auch habe ich gedrehte
Messingringe. hochglanzpoliert
und mit Zaponlack versehen, montiert.
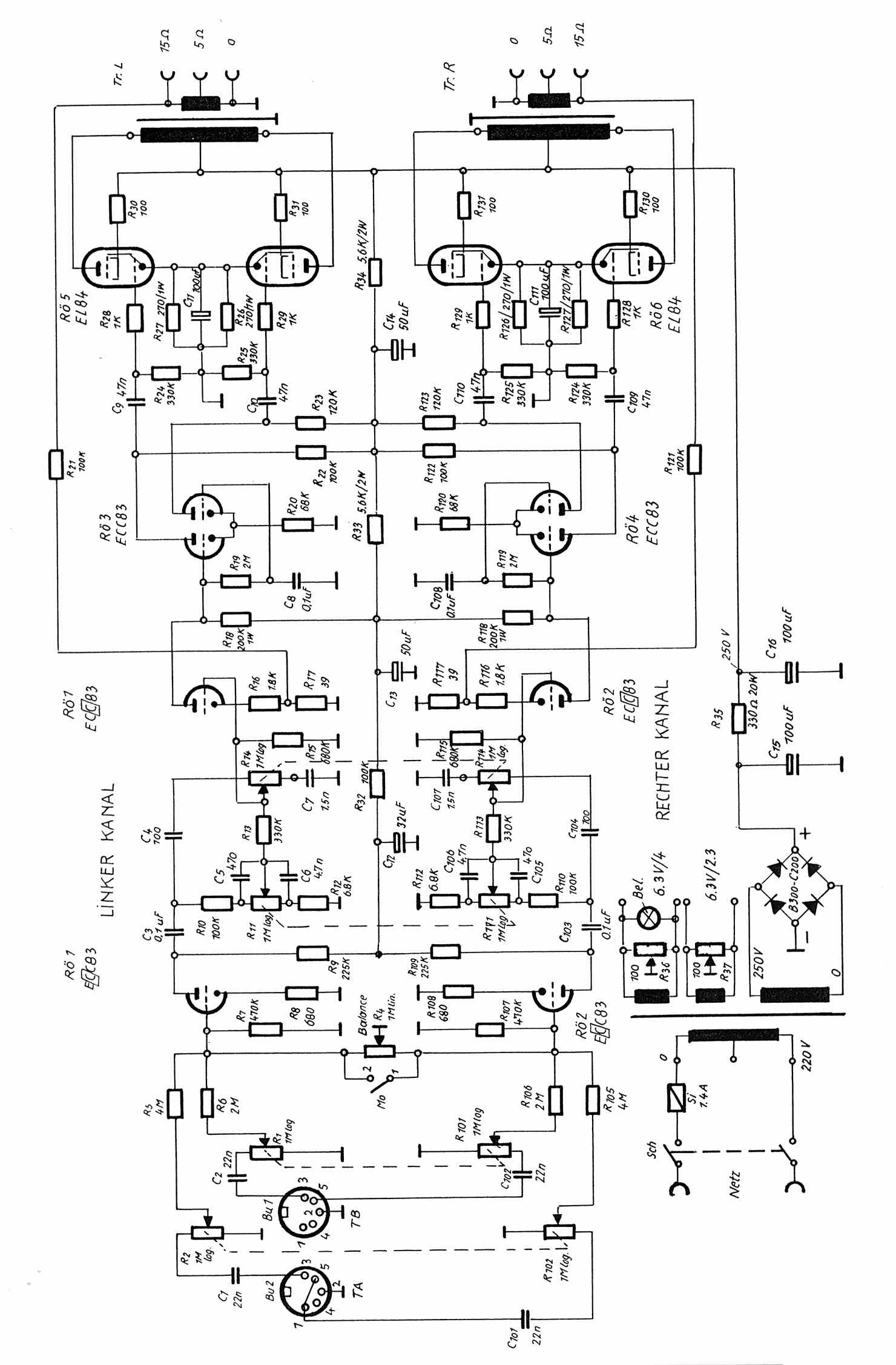
Hier ist übrigens der Schaltplan, viel Spaß
beim Nachbauen !

Hier die entgültige Version mit gedrehten Deko-Ringen und Lochblechabdeckung für den Netztrafo (wegen der Erwärmung):


Hier das Gerät von innen....ich weiss, man kann es besser verdrahten, aber
so habe ich es nun gemacht :-)
Ui, da sehe ich gerade, auf dem Trimmer steckt noch die Abstimmachse..:-)

Hier nochmal das ganze von Hinten...rechts die Lautsprecher Klemmleiste, Links der Eingang.
